Produktai
Korpuso spintelės vyriai
  • Korpuso spintelės vyriaiKorpuso spintelės vyriai
  • Korpuso spintelės vyriaiKorpuso spintelės vyriai
  • Korpuso spintelės vyriaiKorpuso spintelės vyriai
  • Korpuso spintelės vyriaiKorpuso spintelės vyriai
  • Korpuso spintelės vyriaiKorpuso spintelės vyriai

Korpuso spintelės vyriai

„Yitai Lock“ gamina korpuso spintelių vyrius, skirtus klientams patenkinti įvairius poreikius. Spintelių vyriai – tai išoriniai elektros tinklų spintoms naudojami vyriai, pagaminti iš cinko lydinio arba nerūdijančio plieno.


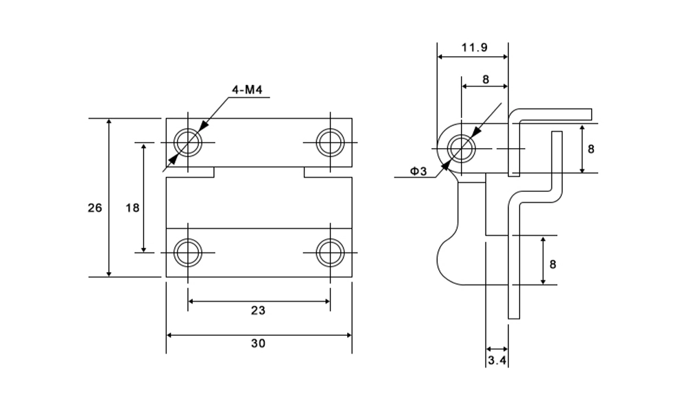
Gaminio modelis CL234 vyrių serija
Paviršiaus apdorojimas Purškiama danga / chromavimas / nerūdijančio plieno viela
Atrankinė spalva Matinė/juoda/nerūdijančio plieno originali spalva
Neprivalomos medžiagos cinko lydinys / nerūdijantis plienas
Naudojimas Tinka įvairių tipų skirstomosioms spintelėms, valdymo dėžėms,


„Yitai Lock“ gamina korpusinių spintelių vyrius, skirtus didelės apkrovos pramoninėms spintoms. Spintelių vyriai yra tvirti ir ilgaamžiai, atlaiko dažnas atidarymo ir uždarymo operacijas, todėl yra patogūs įrangos ir gamybos priežiūrai bei atsparūs deformacijai.

Išvaizda ir medžiaga:

Korpuso korpuso vyris pagamintas iš nerūdijančio plieno arba cinko lydinio.    Taip pat galime priimti spalvų pritaikymą, atsiųskite mums išsamią informaciją. Mes galime pasirinkti iš kelių apdailų: juodos, matinės, ryškios chromo ir nerūdijančio plieno originalios spalvos.


Išplečiamumas:

Korpuso spintelės vyriai gali būti sumontuoti su slopintuvu (lėtam uždarymui ir tylumui), spyruokliniu atstatymo įtaisu (automatiniam uždarymui) ir apsauginiu užraktu (kad būtų išvengta neleistino atidarymo). Palaiko modulinį dizainą, pvz. vyrių svirtis arba pagrindus galima greitai pakeisti nenuimant visos durų plokštės.

Korpuso spintelės vyriai gali būti pritaikyti specialiomis dangomis (antistatiniais, aukštos temperatūros dažais), logotipo graviravimu (prekės ženklo logotipais).


Programos

Tinklo spintelių durų vyriai dažniausiai naudojami duomenų centrų tinklo spintelėse, pramoninėse valdymo dėžėse, lauko ryšių bazinių stočių spintelėse ir elektros paskirstymo dėžės duryse. Tai užtikrina patikimą duomenų centro įrangos, pramonės valdymo sistemos ar elektros paskirstymo sistemos ryšį, kad būtų užtikrintas ilgalaikis stabilus įrangos veikimas.

Enclosure Cabinet HingeEnclosure Cabinet HingeEnclosure Cabinet HingeEnclosure Cabinet HingeEnclosure Cabinet HingeEnclosure Cabinet HingeEnclosure Cabinet HingeEnclosure Cabinet HingeEnclosure Cabinet HingeEnclosure Cabinet HingeEnclosure Cabinet Hinge


DUK

Kl .: Kokios medžiagos yra korpuso spintelės vyriams?

A: Mes siūlome dvi standartines medžiagas, nerūdijantį plieną ir cinko lydinį. Nerūdijantis plienas yra labai atsparus korozijai, o cinko lydinys yra pigesnis ir tinkamas paviršiaus padengimui.


K: Kuris yra patvaresnis, nerūdijančio plieno ar cinko lydinio vyriai?

A: Nerūdijančio plieno vyriai geriau veikia drėgnoje ir labai korozinėje aplinkoje (pvz., lauko, cheminių medžiagų scenose); cinko lydinio vyriai yra ekonomiški ir praktiški, tinkami įprastoms spintelėms, o paviršiaus dengimas padidina atsparumą rūdims.


Kl .: Ar jis palaiko nestandartinio dydžio ar specialios formos pritaikymą?

A: Kai kurie modeliai palaiko pritaikymą, reikalingi išsamūs reikalavimai.


K: Kokia yra vyrių paviršiaus apdaila?

A: Pagal numatytuosius nustatymus nerūdijančio plieno vyriai yra šlifuoti arba poliruoti; cinko lydinys gali būti nikeliuotas, chromuotas, padengtas milteliniu būdu ir pan., kad atitiktų estetikos ar rūdžių prevencijos poreikius.


Kl .: koks yra minimalus užsakymo kiekis (MOQ)?    

A: MOQ paprastai yra 100 rinkinių, pritaikyti modeliai koreguojami atsižvelgiant į proceso sudėtingumą, nedideli kiekiai arba reikalingi pavyzdžiai taip pat gali susisiekti su mumis.






Hot Tags: Korpuso spintelės vyris, pramoninis vyrių tiekėjas, cinko lydinio vyriai, Kinijos gamintojas Yitai Lock
Siųsti užklausą
Kontaktinė informacija
Norėdami sužinoti apie aparatinės įrangos užraktą, aparatūros vyrius, aparatūros rankenų ar kainų sąrašą, palikite mums el. Laišką ir mes susisieksime per 24 valandas.
X
Naudojame slapukus siekdami pasiūlyti geresnę naršymo patirtį, analizuoti svetainės srautą ir suasmeninti turinį. Naudodamiesi šia svetaine sutinkate su mūsų slapukų naudojimu. Privatumo politika
Atmesti Priimti